
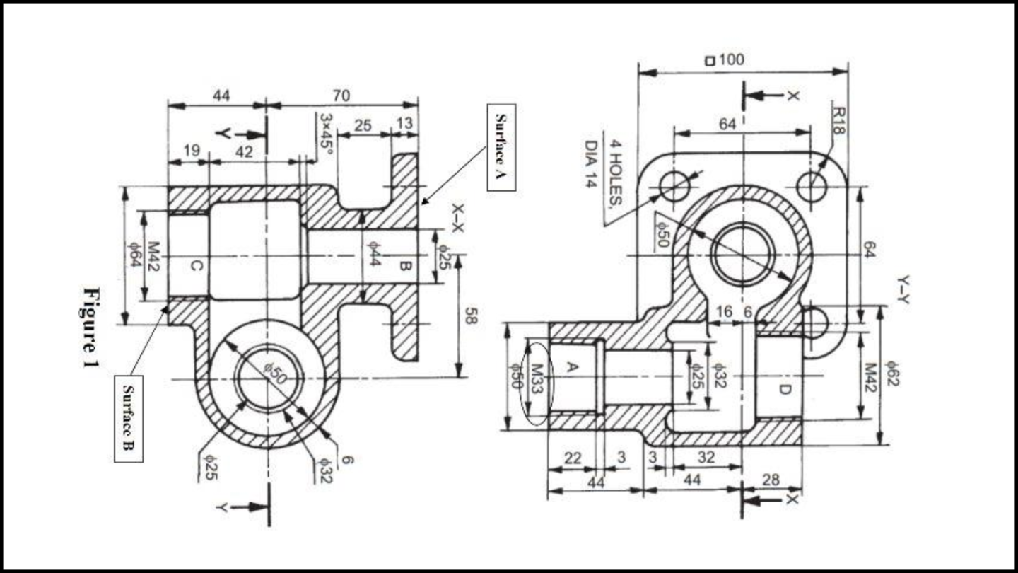
2D CAD トレース
2,000円/1時間
手書き図面のCAD化からCAD図面の修正・変更を行います。
使用CAD ( Auto CAD )
その他のCADの場合は、ご相談ください。
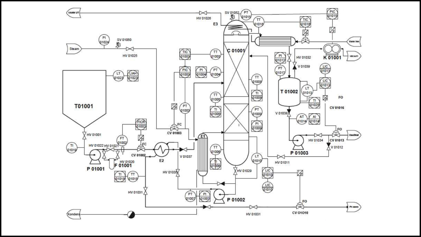
3DCADモデリング
2,700円/1時間
2DCADデータから3DCADデータへのモデリング、3DCADデータからバラシ図面の作成を行います。
使用CAD(Solid Works/i-CAD/inventor/PLANT 3D/etc





